• 34 jaar marktleider
  • Snelle levering
  • Alles onder 1 dak
Raamdorpels

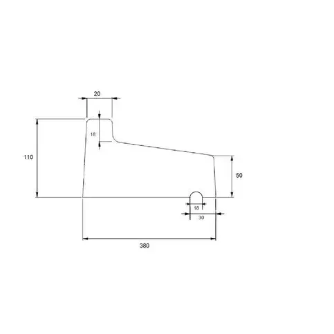
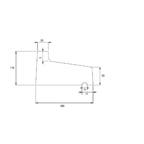
Een raamdorpel zorgt ervoor dat het onderliggende metselwerk wordt beschermt tegen vocht en regen. Een andere benaming voor raamdorpels is vensterbank. De raamdorpels zijn voorzien van een waterhol zodat het water niet langs de gevel naar beneden kan lopen. Hierdoor blijft het metselwerk langen goed en brokkelt het veel minder snel af.

De raamdorpels zijn van beton en zijn leverbaar in verschillende afmetingen. De lengte van de raamdorpels is op aanvraag. Ze zijn leverbaar in de kleuren grijs en zwart.

Specificaties
Kleur Grijs
Formaat 380x110x50 mm
Materiaal Betonsteen
Afwerking Verdicht beton
Voor- en nadelen
  • Vorstbestendig
  • De kleur zal enigszins vervagen onder invloed van UV-straling
Kenmerken

raamdorpel 38x100/11x5 grijs

108,10 per st
Totaalprijs
108,10 incl. btw.
Veilig online betalen
Visa
Maestro
iDeal
MasterCard
PayPal
  • Leverdag
    Na plaatsing van je bestelling zullen wij je contacteren om de leverdag te bevestigen. Ben je gebonden aan een bepaalde leverdag of een specifieke losplaats? Laat het ons weten. In het besteltraject kun je bij overige gegevens je wensen aangeven. Wij proberen hier dan zoveel mogelijk rekening mee te houden. Wanneer je bestelling voorradig is kan Sierbestrating Jonk deze binnen 2-7 werkdagen leveren. Wanneer je bestelling niet voorradig is, dan zijn wij afhankelijk van de fabrikant. Wij streven er naar om alles binnen 1 week uit te leveren. De gewenste leverdag is dus altijd onder voorbehoud.
  • Tijd van bezorging
    Een leverdag stemmen wij graag met je af. Op de dag van levering sturen wij een mail als de bestelling geladen is. Afhankelijk van hoe de vracht is geladen en het aantal bezorgadressen zal de chauffeur binnen 3 uur op de afgesproken afleverlocatie arriveren. Let op! De genoemde bezorgtijd is een indicatie. Hier kunnen geen rechten aan worden ontleend.
     
  • Transportmiddelen
    Sierbestrating Jonk beschikt over verschillende vrachtwagens om je bestelling uit leveren, van grote trucks met oplegger (16 meter) tot bakwagens (8 meter). Mocht je adres moeilijk bereikbaar zijn voor grote trucks en vrachtwagens, neem dan altijd eerst contact met ons op om dit te bespreken. Wij denken graag met je mee om een passende oplossing te vinden. Alle materialen worden naast de auto gelost, op een voor de auto bereikbare plaats, uitsluitend via een verharde weg. De losplaats wordt, na overleg, door de chauffeur bepaald.
  • Ontvangst en controle
    Op de dag van aflevering dient er iemand aanwezig te zijn om de bestelling in ontvangst te nemen. Materialen dienen bij aflevering gecontroleerd te worden en getekend voor ontvangst. Mochten er producten ontbreken of beschadigd zijn dan dien je daarvan aantekening te maken op de pakbon. Dit is in het belang voor verdere afhandeling van eventuele schade. Daarbij verzoeken wij je dit ook te melden aan een van onze filialen. Belangrijk! Controleer altijd of de productiedatum en/of charge/batch nummers van
    verschillende pallets overeenkomen. Eenmaal verwerkte materialen worden als geaccepteerd beschouwd en kunnen géén reden meer zijn tot reclamatie.
     

Gerelateerde producten

sierpaal rond 30x100 cm zwart
Zwart Antracietø 30x100cmBetonsteen± 188 kg
203,20 per st
muurafdekb 30x100 zwart gecoat muurafdekb 30x100 zwart gecoat
Zwart Antraciet30x100 cmBetonsteenGecoat
105,65 per st
Splitrocks XL 60x15x15 cm Antraciet Splitrocks XL 60x15x15 cm Antraciet
Zwart, antraciet60x15x15 cmBetonsteen
8,50 per st
poef rond 45x40 grijs
Grijsø 45x40 cmBetonsteenMassief± 153 kg
190,90 per st