• 34 jaar marktleider
  • Snelle levering
  • Alles onder 1 dak
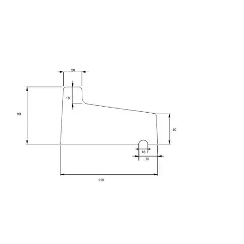
Raamdorpels

Een raamdorpel zorgt ervoor dat het onderliggende metselwerk wordt beschermt tegen vocht en regen. Een andere benaming voor raamdorpels is vensterbank. De raamdorpels zijn voorzien van een waterhol zodat het water niet langs de gevel naar beneden kan lopen. Hierdoor blijft het metselwerk langen goed en brokkelt het veel minder snel af.

De raamdorpels zijn van beton en zijn leverbaar in verschillende afmetingen. De lengte van de raamdorpels is op aanvraag. Ze zijn leverbaar in de kleuren grijs en zwart.

Specificaties
Kleur Grijs
Formaat 120x90x40 mm
Materiaal Betonsteen
Afwerking Verdicht beton
Voor- en nadelen
  • Vorstbestendig
  • De kleur zal enigszins vervagen onder invloed van UV-straling
Kenmerken

raamdorpel 12x100/9x4 grijs

77,85 per st
Totaalprijs
77,85 incl. btw.
Veilig online betalen
Visa
Maestro
iDeal
MasterCard
PayPal
  • Leverdag
    Na plaatsing van je bestelling zullen wij je contacteren om de leverdag te bevestigen. Ben je gebonden aan een bepaalde leverdag of een specifieke losplaats? Laat het ons weten. In het besteltraject kun je bij overige gegevens je wensen aangeven. Wij proberen hier dan zoveel mogelijk rekening mee te houden. Wanneer je bestelling voorradig is kan Sierbestrating Jonk deze binnen 2-7 werkdagen leveren. Wanneer je bestelling niet voorradig is, dan zijn wij afhankelijk van de fabrikant. Wij streven er naar om alles binnen 1 week uit te leveren. De gewenste leverdag is dus altijd onder voorbehoud.
  • Tijd van bezorging
    Een leverdag stemmen wij graag met je af. Op de dag van levering sturen wij een mail als de bestelling geladen is. Afhankelijk van hoe de vracht is geladen en het aantal bezorgadressen zal de chauffeur binnen 3 uur op de afgesproken afleverlocatie arriveren. Let op! De genoemde bezorgtijd is een indicatie. Hier kunnen geen rechten aan worden ontleend.
     
  • Transportmiddelen
    Sierbestrating Jonk beschikt over verschillende vrachtwagens om je bestelling uit leveren, van grote trucks met oplegger (16 meter) tot bakwagens (8 meter). Mocht je adres moeilijk bereikbaar zijn voor grote trucks en vrachtwagens, neem dan altijd eerst contact met ons op om dit te bespreken. Wij denken graag met je mee om een passende oplossing te vinden. Alle materialen worden naast de auto gelost, op een voor de auto bereikbare plaats, uitsluitend via een verharde weg. De losplaats wordt, na overleg, door de chauffeur bepaald.
  • Ontvangst en controle
    Op de dag van aflevering dient er iemand aanwezig te zijn om de bestelling in ontvangst te nemen. Materialen dienen bij aflevering gecontroleerd te worden en getekend voor ontvangst. Mochten er producten ontbreken of beschadigd zijn dan dien je daarvan aantekening te maken op de pakbon. Dit is in het belang voor verdere afhandeling van eventuele schade. Daarbij verzoeken wij je dit ook te melden aan een van onze filialen. Belangrijk! Controleer altijd of de productiedatum en/of charge/batch nummers van
    verschillende pallets overeenkomen. Eenmaal verwerkte materialen worden als geaccepteerd beschouwd en kunnen géén reden meer zijn tot reclamatie.
     
Gerelateerde producten
L-Element Zestig 50x40x60 cm (L x Voet x H) Grijs L-Element Zestig 50x40x60 cm (L x Voet x H) Grijs
Grijs50x40x60 cm ( L x Voet x H)BetonsteenBetonsteen
32,95 per stuk
L-Element Honderd 50x50x100 cm (L x Voet x H) Grijs L-Element Honderd 50x50x100 cm (L x Voet x H) Grijs
Grijs50x50x100 cm ( L x Voet x H)BetonsteenBetonsteen
66,95 per stuk
GeoPlano Stapelblok 60x15x15 cm Elba GeoPlano Stapelblok 60x15x15 cm Elba
Wit, grijs60x15x15 cmBetonsteen
10,95 per ST
GeoColor Traptrede 100x35x15 cm Solid Black GeoColor Traptrede 100x35x15 cm Solid Black
Zwart, antraciet100x35x15 cmBetonsteen
84,50 per st