-
Voordelen van een accountInloggen Account aanmaken
- Persoonlijke orderhistorie
- Facturen downloaden als PDF
- Wijzigen van uw gegevens
- Inzicht in openstaande facturen
Raamdorpels
Raamdorpels, ook wel betonnen vensterbanken genoemd, zijn onmisbaar voor een goede gevelafwerking.

Raamdorpels van beton
Duurzame bescherming en strakke afwerking onder elk raam
Raamdorpels, ook wel betonnen vensterbanken genoemd, zijn onmisbaar voor een goede gevelafwerking. Ze beschermen het metselwerk onder het raam tegen regen, opspattend vuil en vorstschade. Bij Sierbestrating Jonk vind je betonnen raamdorpels in verschillende afmetingen, geschikt voor zowel nieuwbouw als renovatie.
Waarom raamdorpels onmisbaar zijn
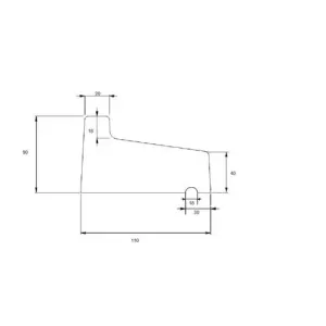
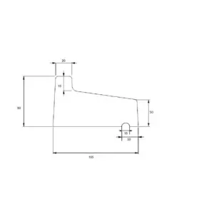
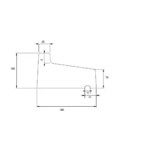
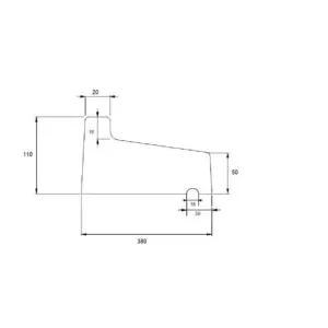
Een raamdorpel voert regenwater gecontroleerd af dankzij de geïntegreerde waterhol (ook wel druprand genoemd). Hierdoor loopt het water niet langs de gevel naar beneden, maar drupt het netjes van de dorpel af. Zo blijft het metselwerk onder het raam langer mooi, zonder vochtplekken, kalkuitbloei of afbrokkelend steenwerk.
Kenmerken van onze betonnen raamdorpels
-
Gemaakt van duurzaam beton
-
Voorzien van waterhol voor optimale afwatering
-
Bestand tegen vorst, vocht en vuil
-
Onderhoudsarm en slijtvast
-
Leverbaar in de kleuren grijs en zwart
-
Diverse afmetingen beschikbaar, lengte op aanvraag
Dankzij het strakke ontwerp en de robuuste afwerking passen onze raamdorpels perfect bij zowel moderne als traditionele gevels. Combineer ze met muurafdekkers of paalmutsen in dezelfde kleur voor een stijlvol totaalbeeld.
Beton raamdorpels voor nieuwbouw en renovatie
Onze raamdorpels zijn geschikt voor uiteenlopende bouwtoepassingen. Of je nu een nieuwe gevel bouwt of een bestaande woning renoveert, met een betonnen dorpel zorg je voor een nette én functionele afwerking onder elk raam.
Advies van Sierbestrating Jonk
Wil je weten welke maat raamdorpel het beste past bij jouw project? Of heb je specifieke wensen voor kleur of lengte? De adviseurs van Sierbestrating Jonk denken graag met je mee. Ook maatwerk is op aanvraag mogelijk.
Bescherm je gevel tegen vocht en geef je ramen een verzorgde uitstraling met betonnen raamdorpels van Sierbestrating Jonk.